Cylinder Block for 2015 Dodge Challenger
No.
Part # / Description / Price
Price
1
Long Block Engine 1
Mopar
Mopar Notes: Engines: 6.2L V8 Supercharged Engine. Transmissions: 6-SPEED MANUAL TREMEC TRANSMISSION. 8-SPD AUTO HP90 TRANSMISSION (BUY).
Description: The Engine Oil Cooler And Oil Cooler Lines Need To Be Replaced With New When Ordering A Short Block Engine Or A Complete Engine. Refer To Illustration 805 For Part Numbers
MSRP $17,090.00
$13,973.80
MSRP $17,090.00
$13,973.80
1
Short Block Engine 1
Mopar
Mopar Notes: Engines: 6.2L V8 Supercharged Engine. Transmissions: 6-SPEED MANUAL TREMEC TRANSMISSION. 8-SPD AUTO HP90 TRANSMISSION (BUY).
Description: The Engine Oil Cooler And Oil Cooler Lines Need To Be Replaced With New When Ordering A Short Block Engine Or A Complete Engine. Refer To Illustration 805 For Part Numbers
5
Cylinder Block Plug
Mopar
Mopar Notes: Engines: 5.7L V8 HEMI MDS VVT Engine. 5.7L V8 HEMI VVT Engine. 6.2L V8 Supercharged Engine. 6.4L V8 SRT HEMI ENGINE. 6.4L V8 SRT HEMI MDS Engine.
Description: [.375-18X1.343]. Oil Gallery Block Off
MSRP $9.75
$6.96
MSRP $9.75
$6.96
6
Dowel Pin, Mounting
Mopar
Mopar Notes: Engines: 3.6L V6 24V VVT Engine. 5.7L V8 HEMI MDS VVT Engine. 5.7L V8 HEMI VVT Engine. 6.2L V8 Supercharged Engine. 6.4L V8 SRT HEMI ENGINE. 6.4L V8 SRT HEMI MDS Engine.
Description: Item 13 Pin Kit Also Contained in Short Block Engine Kit. All Plugs And Dowel Pins Must Be Installed On Cylinder Block Before Installing Engine.. Cylinder Heads To Cylinder Block
MSRP $9.45
$6.78
MSRP $9.45
$6.78
7
Hex Socket Plug
Mopar
Mopar Notes: Engines: 5.7L V8 HEMI MDS VVT Engine. 5.7L V8 HEMI VVT Engine. 6.2L V8 Supercharged Engine. 6.4L V8 SRT HEMI ENGINE. 6.4L V8 SRT HEMI MDS Engine.
Description: 3/8-18NPTx.475. Also Serviced With Cover. Chain Case Cover
MSRP $10.35
$7.44
MSRP $10.35
$7.44
13
Plug, Rear
Mopar
Mopar Notes: Engines: 5.7L V8 HEMI MDS VVT Engine. 5.7L V8 HEMI VVT Engine. 6.2L V8 Supercharged Engine. 6.4L V8 SRT HEMI ENGINE. 6.4L V8 SRT HEMI MDS Engine.
Description: [M47.93 OD 6.4 THK 51.5 FLG OD]. Camshaft
MSRP $9.70
$6.96
MSRP $9.70
$6.96
14
Block To Clutch Housing Dowel, Mounting
Mopar
Mopar Notes: Engines: 5.7L V8 HEMI MDS VVT Engine. 5.7L V8 HEMI VVT Engine. 6.2L V8 Supercharged Engine. 6.4L V8 SRT HEMI ENGINE. 6.4L V8 SRT HEMI MDS Engine.
Description: [1/2 x 3/4]. Cylinder Block To Transmission
MSRP $12.50
$8.89
MSRP $12.50
$8.89
15
Dowel Pin, Oil Seal Retainer
Mopar
Mopar Notes: Engines: 5.7L V8 HEMI MDS VVT Engine. 5.7L V8 HEMI VVT Engine. 6.2L V8 Supercharged Engine. 6.4L V8 SRT HEMI ENGINE. 6.4L V8 SRT HEMI MDS Engine.
Description: Also Serviced In Retainer Package
MSRP $12.35
$8.77
MSRP $12.35
$8.77
16
Pipe Plug
Mopar
Mopar Notes: Engines: 5.7L V8 HEMI MDS VVT Engine. 5.7L V8 HEMI VVT Engine. 6.2L V8 Supercharged Engine. 6.4L V8 SRT HEMI ENGINE. 6.4L V8 SRT HEMI MDS Engine.
Description: .250-18X.413. Oil Gallery Middle and Right Rear Of Cylinder Block
MSRP $5.15
$3.63
MSRP $5.15
$3.63
19
Hex Flange Head Bolt, Mounting
Mopar
Mopar Notes: Engines: 5.7L V8 HEMI MDS VVT Engine. 5.7L V8 HEMI VVT Engine. 6.2L V8 Supercharged Engine. 6.4L V8 SRT HEMI ENGINE. 6.4L V8 SRT HEMI MDS Engine.
Description: M6X1.00X24.00. Rear Crankshaft Seal Retainer To Cylinder Block
MSRP $3.40
$2.36
MSRP $3.40
$2.36
22
Plug, Right And Left
Mopar
Mopar Notes: Engines: 5.7L V8 HEMI MDS VVT Engine. 5.7L V8 HEMI VVT Engine. 6.2L V8 Supercharged Engine. 6.4L V8 SRT HEMI ENGINE. 6.4L V8 SRT HEMI MDS Engine.
Description: .250-18X.690. Cylinder Block Coolant Drain
MSRP $13.95
$10.04
MSRP $13.95
$10.04
23
Hex Screw And Washer, Mounting
Mopar
Mopar Notes: Engines: 5.7L V8 HEMI MDS VVT Engine. 5.7L V8 HEMI VVT Engine. 6.2L V8 Supercharged Engine. 6.4L V8 SRT HEMI ENGINE. 6.4L V8 SRT HEMI MDS Engine.
Description: [M8X1.25X45.00]. Main Bearing Cap To Cylinder Block
MSRP $5.75
$4.05
MSRP $5.75
$4.05
24
Oil Indicator Tube Plug
Mopar
Mopar Notes: Engines: 5.7L V8 HEMI MDS VVT Engine. 5.7L V8 HEMI VVT Engine. 6.2L V8 Supercharged Engine. 6.4L V8 SRT HEMI ENGINE. 6.4L V8 SRT HEMI MDS Engine.
Description: .415X.280
MSRP $6.90
$4.84
MSRP $6.90
$4.84
26
Dowel Pin, Mounting
Mopar
Mopar Notes: Engines: 5.7L V8 HEMI MDS VVT Engine. 5.7L V8 HEMI VVT Engine. 6.2L V8 Supercharged Engine. 6.4L V8 SRT HEMI ENGINE. 6.4L V8 SRT HEMI MDS Engine.
Description: M8X10.00. Front Timing Case Cover To Cylinder Block
MSRP $9.45
$6.78
MSRP $9.45
$6.78
27
MSRP $47.40
$32.43
28
Hex Flange Head Bolt, Mounting
Mopar
Mopar Notes: Engines: 6.2L V8 Supercharged Engine. 6.4L V8 SRT HEMI ENGINE. 6.4L V8 SRT HEMI MDS Engine.
Description: M6x1.00x12.00. Rear Crankshaft Oil Seal Retainer To Cylinder Block
MSRP $8.60
$6.23
MSRP $8.60
$6.23
31
Woodruff Key
Mopar
Mopar Notes: Engines: 5.7L V8 HEMI MDS VVT Engine. 5.7L V8 HEMI VVT Engine. 6.2L V8 Supercharged Engine. 6.4L V8 SRT HEMI ENGINE. 6.4L V8 SRT HEMI MDS Engine.
Description: Crankshaft Sprocket
MSRP $8.60
$6.11
MSRP $8.60
$6.11
32
33
Crank Shaft Pilot Sleeve
Mopar
Mopar Notes: Engines: 5.7L V8 HEMI MDS VVT Engine. 5.7L V8 HEMI VVT Engine. 6.2L V8 Supercharged Engine. 6.4L V8 SRT HEMI ENGINE. 6.4L V8 SRT HEMI MDS Engine. Transmissions: 6-SPEED MANUAL TREMEC TRANSMISSION. 8-Spd Auto 8HP70 Trans (Buy-US). 8-SPD AUTO HP90 TRANSMISSION (BUY).
Description: Automatic Transmissions
MSRP $31.85
$22.99
MSRP $31.85
$22.99
38
Hex Flange Head Screw, Mounting
Mopar
Mopar Notes: Engines: 5.7L V8 HEMI MDS VVT Engine. 5.7L V8 HEMI VVT Engine. 6.2L V8 Supercharged Engine. 6.4L V8 SRT HEMI ENGINE. 6.4L V8 SRT HEMI MDS Engine.
Description: M14x2.00x80.00. [M12x1.75x91.2]. Main Bearing Cap To Cylinder Block
MSRP $3.55
$2.48
MSRP $3.55
$2.48
39
Double Ended Stud
Mopar
Mopar Notes: Engines: 6.2L V8 Supercharged Engine. 6.4L V8 SRT HEMI ENGINE. 6.4L V8 SRT HEMI MDS Engine.
Description: M12X1.75X1.25X152.10. Main Bearing Cap To Cylinder Block
MSRP $11.55
$8.23
MSRP $11.55
$8.23
1 This price excludes a refundable manufacturer's core charge. Add the part to your cart to see the core charge.
No.
Part # / Description / Price
Price
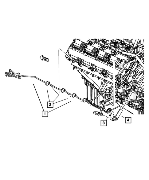
1
MSRP $291.00
$190.30
3
Hex Head Bolt, Mounting
Mopar
Mopar Notes: Engines: 5.7L V8 HEMI MDS VVT Engine. 5.7L V8 HEMI VVT Engine. 6.2L V8 Supercharged Engine. 6.4L V8 SRT HEMI ENGINE. 6.4L V8 SRT HEMI MDS Engine.
Description: M6x1.00x20.00. Engine Block Heater To Cylinder Block
MSRP $9.00
$6.47
MSRP $9.00
$6.47
4
Engine Block Heater
Mopar
Mopar Notes: Engines: 5.7L V8 HEMI MDS VVT Engine. 5.7L V8 HEMI VVT Engine. 6.2L V8 Supercharged Engine. 6.4L V8 SRT HEMI ENGINE. 6.4L V8 SRT HEMI MDS Engine.
Description: Includes Mounting Hardware. Engine Block Heater To Cylinder Block.
MSRP $133.00
$86.19
MSRP $133.00
$86.19

